Trang chủ » Máy công nghiệp» Bơm công nghiệp» Máy bơm dầu truyền nhiệt» Máy bơm dầu truyền nhiệt WRY chịu nhiệt độ 350 độ C» Bơm dầu truyền nhiệt WRY vòng tua nhanh 2900 rpm

Bơm dầu truyền nhiệt WRY150-125-285

Mã SP
: WRY150-125-285
Thương hiệu
Bảo hành
: 12
Tình trạng
  Liên hệ
Tại độ cao, áp suất hệ thống 8,5kg/cm2 ( 85m cột nước )Đạt lưu lượng 370m3/hSử dụng động cơ điện : 132kwTốc độ quay động cơ : 2900 vòng/phútKiểu dáng : Bơm li tâm rời trục chịu nhiệt độ caoMặt bích hút xả : Dn 150/125mmĐường kính tâm lỗ ốc hút xả : Dn 295/240mm
Khuyến mại
Khuyến mại
  •  
Khuyến mại
  •  
Đang xử lý...

Thông tin chi tiết

Bơm dầu truyền nhiệt WRY150-125-285 là một sản phẩm bơm đa dụng được thiết kế đặc biệt để truyền tải dầu nóng và dầu truyền nhiệt trong các ứng dụng công nghiệp và quá trình sản xuất đòi hỏi nhiệt độ cao và áp suất hệ thống lớn. Với thiết kế chịu nhiệt độ cao và khả năng đáp ứng áp suất lớn, sản phẩm này là một lựa chọn lý tưởng cho các ứng dụng đặc biệt.

Thông số kỹ thuật ấn tượng:
Áp suất hệ thống: 8,5kg/cm2 (tương đương với 85m cột nước), cho phép bơm đáp ứng nhu cầu áp suất cao của ứng dụng.
Lưu lượng: 370m3/h, giúp bơm cung cấp lượng chất lỏng cần thiết cho quy trình sản xuất.
Động cơ điện: 132kW, với tốc độ quay 2900 vòng/phút, giúp đảm bảo hiệu suất cao trong việc truyền tải dầu nóng.
Kiểu dáng: Bơm li tâm rời trục chịu nhiệt độ cao, được thiết kế để đáp ứng yêu cầu nhiệt độ cao và áp suất cao.
Cấu tạo và vật liệu sản xuất:
Thân bơm: Thân bơm thường được làm từ thép không gỉ (stainless steel) hoặc hợp kim nhiệt độ cao như Inconel, Hastelloy, Stellite để đảm bảo khả năng chịu nhiệt độ cao và chống ăn mòn trong môi trường làm việc nhiệt độ cao.
Cánh quạt: Cánh quạt là bộ phận chịu nhiệt quan trọng của bơm. Chúng thường được làm từ các hợp kim nhiệt độ cao như Inconel, Hastelloy, Stellite. Cánh quạt được thiết kế để tạo ra áp lực và chuyển động hiệu quả trong nước nóng và dầu nóng.
Trục bơm: Trục bơm làm từ thép chịu nhiệt cao để đảm bảo khả năng quay và chuyển động trong môi trường nhiệt độ cao.
Phớt cơ khí: Phớt cơ khí thường được làm từ vật liệu chịu nhiệt cao như silicon carbide (SiC) hoặc tungsten carbide (WC) để đảm bảo tính kín máy bơm trong môi trường nhiệt độ cao.
Ứng dụng:
Bơm dầu truyền nhiệt WRY150-125-285 là một sản phẩm chất lượng cao, phù hợp cho nhiều ứng dụng chịu nhiệt độ cao, bao gồm:

Công nghiệp dầu khí: Sử dụng để truyền tải dầu nóng trong quá trình sản xuất dầu khí và xử lý nhiệt.
Công nghiệp hóa chất: Được áp dụng trong quá trình sản xuất hóa chất, nơi cần chuyển động chất lỏng ở nhiệt độ cao.
Công nghiệp nhiệt động học: Dùng để cung cấp nhiệt cho quy trình sản xuất và chế biến nhiệt động học.
Hệ thống làm lạnh và làm nóng: Sử dụng trong hệ thống làm lạnh và làm nóng trong các ứng dụng công nghiệp và điều hòa không khí.
Hệ thống trao đổi nhiệt: Sử dụng trong các hệ thống trao đổi nhiệt để duy trì nhiệt độ ổn định và truyền tải dầu nóng giữa các bề mặt trao đổi nhiệt.
Bơm dầu truyền nhiệt WRY150-125-285 là một sản phẩm đáng tin cậy và hiệu quả cho các ứng dụng chịu nhiệt độ cao, và nó đáp ứng nhu cầu trong các ngành công nghiệp đòi hỏi sự chịu nhiệt và đáng tin cậy.

Thông tin kỹ thuật

Bảng lưu lượng cụ thể của bơm dầu truyền nhiệt WRY150-125-285

 Model Lưu Lượng Điểm Làm Việc Động Cơ Hút Xả
 WRY 150 - 125 - 285 370 m3 85m 132kw 150 / 125 mm

Đường cong hiệu suất của máy bơm WRY150-125-285

duong-dac-tinh,-duong-cong-hieu-suat-bom-wry150-125-285

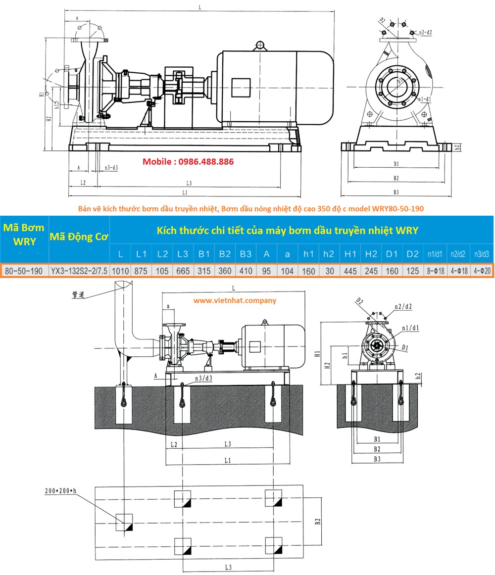
Bản vẽ kích thước lắp đặt của bơm dầu truyền nhiệt WRY150-125-285

kich-thuoc-lap-dat-bom-wry150-125-285

Đánh giá sản phẩm: Bơm dầu truyền nhiệt WRY150-125-285
 
 
 
 
 
Tổng đánh giá: (1 đánh giá)rating 5
NVQ
Nguyễn Văn Quân
| 28/01/2026 02:20
Đã mua và dùng tốt. Rất tốt
 
  Gọi ngay
  FB Chat
  Zalo Chat
  Whatsapp